Tamaño de fuente
  • A-
  • A
  • A+
Color del sitio
  • R
  • A
  • A
  • A
Salta al contenido principal
Evirtual
  • Página Principal
  • Calendario
  • Más
En este momento está usando el acceso para invitados
Acceder
Evirtual
Página Principal Calendario
Expandir todo Colapsar todo

Autónomo 1: Dibujo 2D

  1. TECAUSTRO-2025
  2. MECANICA AUTOMOTRIZ
  3. NIVEL II
  4. PARALELO A
  5. A_MA-AC1-P-DAPC-205
  6. Unidad 1
  7. Autónomo 1: Dibujo 2D
Requisitos de finalización
Apertura: miércoles, 22 de octubre de 2025, 00:01
Cierre: jueves, 6 de noviembre de 2025, 23:59

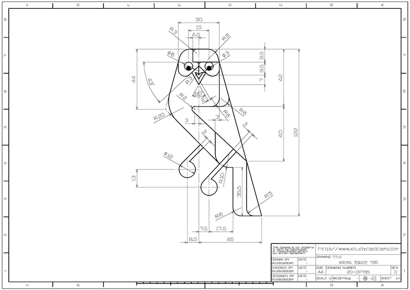
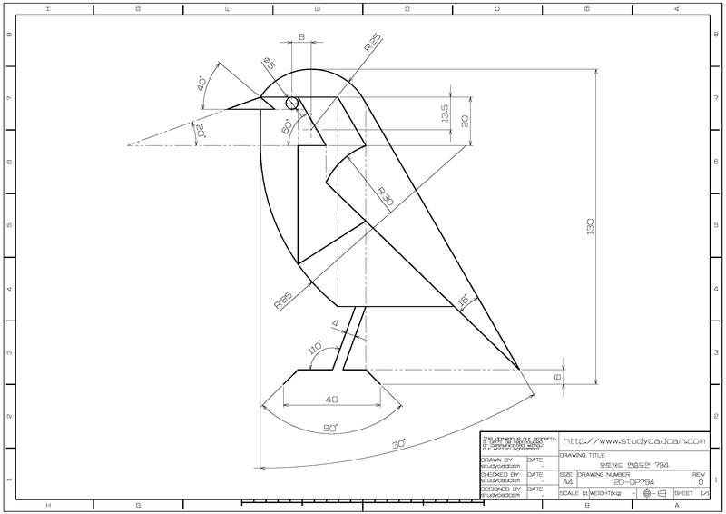
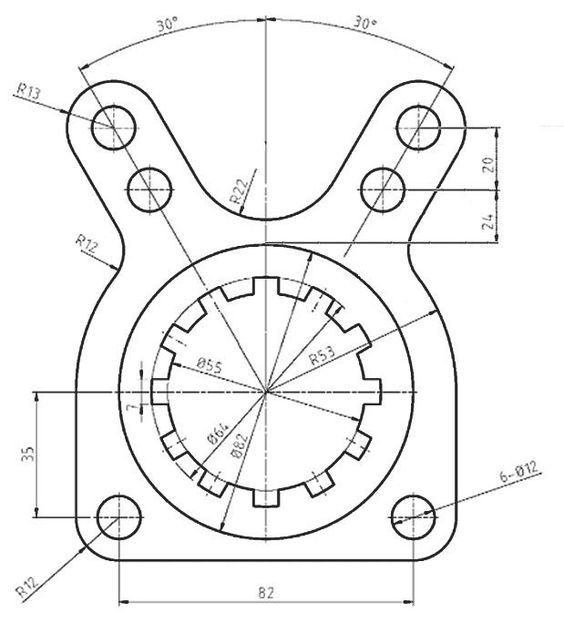
Subir el dibujo indicado para cada estudiante archivo en PDF y .ipt.

Cotas: 5 puntos

Dibujo: 5 puntos

  • Alvarez.gif Alvarez.gif
    22 de octubre de 2025, 18:37
  • Arce.jpg Arce.jpg
    22 de octubre de 2025, 18:37
  • Bermello.jpg Bermello.jpg
    22 de octubre de 2025, 18:37
  • Calle.jpg Calle.jpg
    22 de octubre de 2025, 18:37
  • Carrion.png Carrion.png
    22 de octubre de 2025, 18:37
  • Galeas.jpg Galeas.jpg
    22 de octubre de 2025, 18:37
  • Guallpa.jpg Guallpa.jpg
    22 de octubre de 2025, 18:37
  • Lisintuña.jpg Lisintuña.jpg
    22 de octubre de 2025, 18:37
  • Malo.jpg Malo.jpg
    22 de octubre de 2025, 18:37
  • Morocho.png Morocho.png
    22 de octubre de 2025, 18:37
  • Nieto.jpg Nieto.jpg
    22 de octubre de 2025, 18:37
  • Santander.png Santander.png
    22 de octubre de 2025, 18:37
  • Tenezaca.jpg Tenezaca.jpg
    22 de octubre de 2025, 18:37
  • Urgiles.png Urgiles.png
    22 de octubre de 2025, 18:37
  • Yunga.jpg Yunga.jpg
    22 de octubre de 2025, 18:37
Actividad previa Practica 1: Dibujo 2D
Siguiente actividad Evaluación 2: Dibujo 2D

Contáctanos

Síganos

Contactar con el soporte del sitio
En este momento está usando el acceso para invitados (Acceder)
Resumen de retención de datos
Descargar la app para dispositivos móviles
Descargar la app para dispositivos móviles
Play Store App Store
Desarrollado por Moodle

Este tema fue desarrollado por

Conecti.me